不可列印的區域
不可列印的區域視乎您正在使用的應用程式的設定而定。以下數字表示普通紙和信封上不可列印的區域。僅在無邊界列印功能可用並已啟用時,機器才會在普通紙的陰影區域上列印。
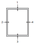
普通紙

信封

| 頂端 (1) | 左側 (2) | 底端 (3) | 右側 (4) |
|---|
| 普通紙 | 3 mm | 3 mm | 3 mm | 3 mm |
| 信封 | 12 mm | 3 mm | 12 mm | 3 mm |
無邊列印功能不適用於信封、雙面列印、裁切列印和剪下複製。
使用裁切列印或剪下複製功能時,本機器裁切的紙張上有不可列印的區域。這些不可列印區域的值在表格中的普通紙項目中列出。
此頁對您有幫助嗎?



