Inicio > Manipulación de papel > Cargar papel > Área no imprimible
Área no imprimible
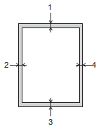
El área no imprimible depende de la configuración de la aplicación que está utilizando. Los números siguientes indican las áreas no imprimibles en hojas sueltas de papel y sobres. El equipo solo puede efectuar la impresión en las áreas sombreadas de hojas sueltas de papel cuando la función de impresión sin bordes está disponible y activada.
Hojas sueltas de papel

Sobres

| Arriba (1) | Izquierda (2) | Abajo (3) | Derecha (4) |
|---|
| Hojas sueltas | 0,12 pulg. (3 mm) | 0,12 pulg. (3 mm) | 0,12 pulg. (3 mm) | 0,12 pulg. (3 mm) |
| Sobres | 0,47 pulg. (12 mm) | 0,12 pulg. (3 mm) | 0,47 pulg. (12 mm) | 0,12 pulg. (3 mm) |



