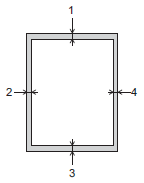
非扫描区域
您所使用的应用程序中的设置将决定页面的非扫描区域。下图阴影部分显示了典型的非扫描区域。

| 用途 | 文档尺寸 | 上边距 (1) 下边距 (3) | 左边距 (2) 右边距 (4) |
|---|
| 传真 | A3 | 3 毫米 | 4.5 毫米 |
| A4 | 3 毫米 |
| Ledger | 3.7 毫米 |
| Letter | 4 毫米 |
| Legal |
| 复印 | 所有纸张尺寸 | 3 毫米 |
| 扫描 | 1 毫米 | 1 毫米 |
本页上的信息对您有帮助吗?



