Inicio > Manipulación del papel > Cargar documentos > Área no escaneable
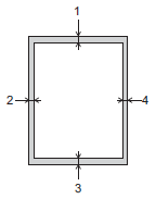
Área no escaneable
El área no escaneable de una página varía en función de los ajustes de la aplicación que esté utilizando. Las cifras siguientes indican las medidas no escaneables más frecuentes.

| Uso | Tamaño documento | Parte superior (1) Parte inferior (3) | Izquierda (2) Derecha (4) |
|---|
| Fax | A3 | 3 mm | 4,5 mm |
| A4 | 3 mm |
| Ledger | 3,7 mm |
| Letter | 4 mm |
| Legal |
| Copia | Todos los tamaños de papel | 3 mm |
| Escanear | 1 mm | 1 mm |
¿Le ha sido útil esta página?



