Home > Paper Handling > Load Documents > Unscannable Area
Unscannable Area
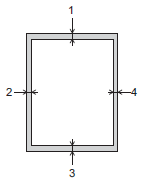
The unscannable area of a page depends on the settings in the application you are using. The figures below show the typical unscannable measurements.

| Usage | Document Size | Top (1) Bottom (3) | Left (2) Right (4) |
|---|
| Fax | A3 | 3 mm | 4.5 mm |
| A4 | 3 mm |
| Ledger | 3.7 mm |
| Letter | 4 mm |
| Legal |
| Copy | All paper sizes | 3 mm |
| Scan | 1 mm | 1 mm |
Did you find the information you needed?



